Gilles Marty 猪场厂长老板 Gilles Marty 法国 470 发布 41 粉丝
LinkedinTelegram
Gilles Marty猪场厂长老板 - 法国16-12月-2014
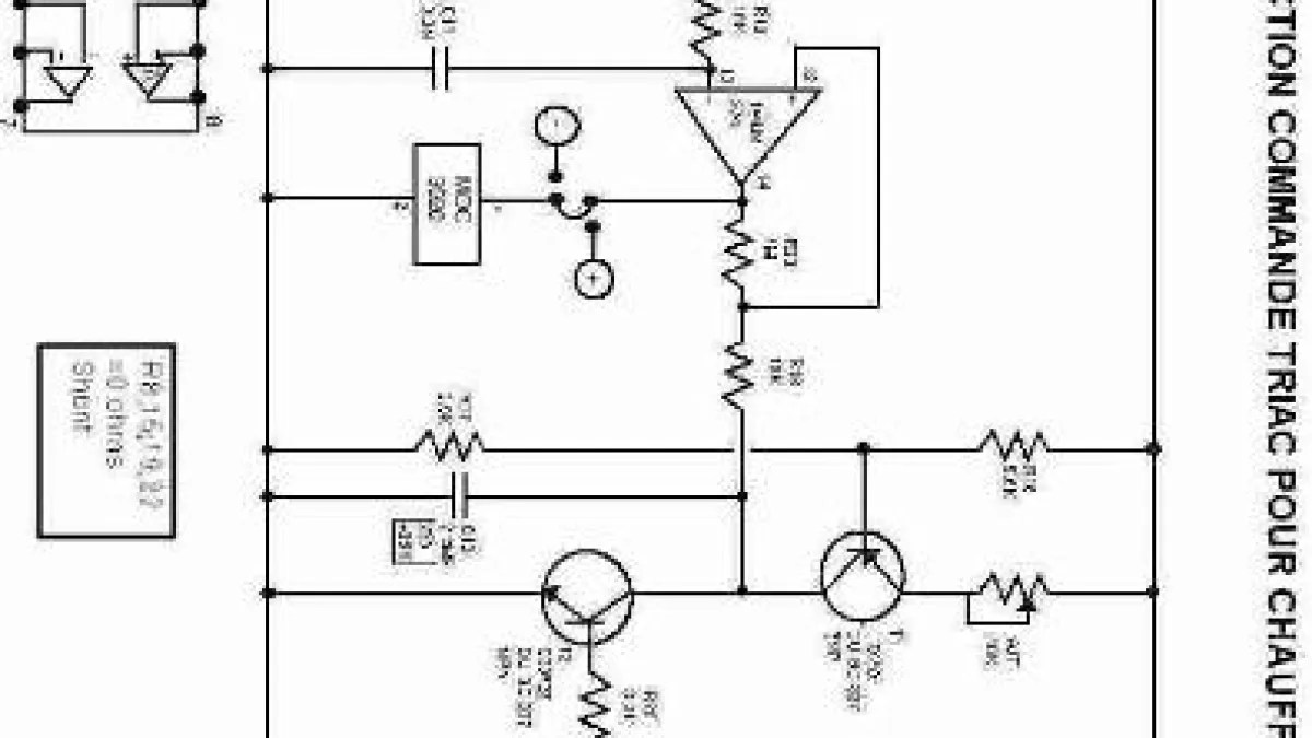
Shéma commande triac
X
LinkedinWhatsAppTelegram
喜欢评论
分享
我的收藏